型 號:TIRROLLER WJ型搬運小坦克
規 格:5噸-10噸TIRROLLER搬運小坦克
公司名稱:日本TIRROLLER
保質周期:12
價 格(≤ 1) ¥電議 /臺
優惠價格(≥ 5):電議

TIRROLLER WJ型搬運小坦克介紹:
◆TIRROLLER WJ型搬運小坦克是一款承載板中內置液壓千斤頂的搬運小坦克,其主要目的是方便調整搬運方向;
◆WJ型搬運小坦克可選配單作用手動泵使用,壓力為700kg/cm²;
◆WJ型TIRROLLER搬運小坦克采用輕量型設計,體積小,承載能力強,可同時多臺組合使用。

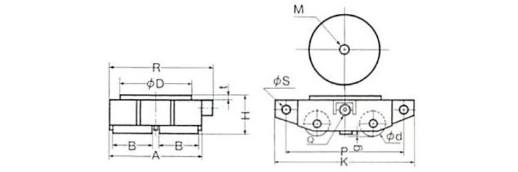
TIRROLLER WJ型搬運小坦克尺寸圖:

| 型 號 | WJ-5U | WJ-10U | |||
| 載 荷(t) | 5 | 10 | |||
| 自 重(kg) | 29 | 49 | |||
| 移動阻力 | 鋼板路面 | 0.05 | 0.05 | ||
| 混凝土路面 | 0.07 | 0.07 | |||
| 額定載荷時轉矩(kg.m) | 靜轉矩 | 鋼板路面 | 38 | 71 | |
| 混凝土路面 | 38 | 71 | |||
|
框架 |
A | 207 | 277 | ||
| K | 450 | 540 | |||
| P | 390 | 480 | |||
| H | 141 | 150 | |||
| g | 13 | 13 | |||
| R | 266 | 336 | |||
| ØS | 26 | 31 | |||
| Q | 耦合器 | ||||
|
輪子 |
型式 | 聚氨酯 | |||
| 個數 | 4 | 4 | |||
| Ød | 75 | 105 | |||
| B | 85 | 120 | |||
|
轉盤 |
ØD | 180 | 240 | ||
| t | 9 | 9 | |||
| M | M20 | M20 | |||
| 專用手柄(可選) | PH-25 | PH-30 | |||
注:由于產品不斷改良,當外形與參數變更時,均以實物為主,想要了解更多產品詳情可電話聯系我們。

TIRROLLER WJ型搬運小坦克屬于日本TIRROLLER品牌原裝進口產品,保質12個月(易損件除外),凡客戶從我公司定購此品牌產品如收到貨物時發現有假貨仿貨均以100倍金額賠償。