型 號:TIRROLLER WSP型搬運小坦克
規 格:2噸-10噸TIRROLLER WSP型
公司名稱:日本TIRROLLER搬運小坦克
保質周期:12
價 格(≤ 1) ¥電議 /臺
優惠價格(≥ 5):電議


TIRROLLER WSP型搬運小坦克介紹:
◆TIRROLLER WSP型搬運小坦克采用特殊電鍍合金材質制成,非常適合無塵環境場合使用;
◆WSP型搬運小坦克本體高度低,采用超低型、輕量型設計;
◆WSP型TIRROLLER搬運小坦克緊湊型設計,采用高強度小型坦克輪,耐磨損性能好。

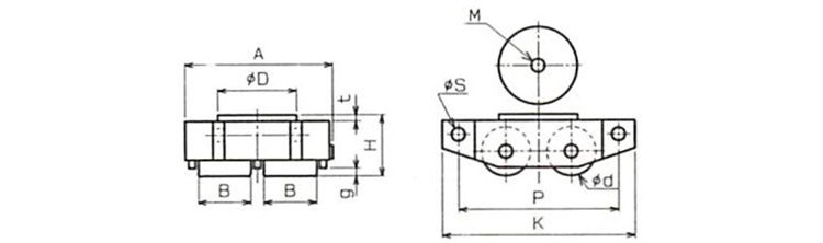
TIRROLLER WSP型搬運小坦克尺寸圖:

|
型 號 |
WSP-2U |
WSP-3U |
WSP-5U |
WSP-8U |
WSP-10U |
||||||
|
最 大 載 荷(t) |
2 |
3 |
5 |
8 |
10 |
||||||
|
自 重(kg) |
5 |
8 |
16 |
29 |
35 |
||||||
|
移動阻力 |
鋼板路面 |
0.05 |
0.05 |
0.05 |
0.05 |
0.05 |
|||||
|
混凝土路面 |
0.07 |
0.07 |
0.07 |
0.07 |
0.07 |
||||||
|
框架
|
A |
156 |
185 |
225 |
275 |
295 |
|||||
|
K |
270 |
310 |
345 |
400 |
425 |
||||||
|
P |
220 |
250 |
285 |
340 |
365 |
||||||
|
H |
63 |
77 |
96 |
119 |
129 |
||||||
|
g |
12 |
14 |
14 |
24 |
19 |
||||||
|
ØS |
21 |
26 |
26 |
31 |
31 |
||||||
|
輪子 |
型式 |
聚氨酯 |
|||||||||
|
個數 |
4 |
4 |
4 |
4 |
4 |
||||||
|
Ød |
46 |
60 |
75 |
95 |
105 |
||||||
|
B |
55 |
65 |
85 |
110 |
120 |
||||||
|
轉盤 |
ØD |
125 |
150 |
180 |
240 |
240 |
|||||
|
t |
6 |
6 |
9 |
9 |
9 |
||||||
|
M |
M16 |
M16 |
M20 |
M20 |
M20 |
||||||
|
專用手柄(可選) |
PHP-20 |
PHP-25 |
PHP-25 |
PHP-30 |
PHP-30 |
||||||
注:由于產品不斷改良,當外形與參數變更時,均以實物為主,想要了解更多產品詳情可電話聯系我們.

TIRROLLER WSP型搬運小坦克屬于日本TIRROLLER品牌原裝進口產品,保質12個月(易損件除外),凡客戶從我公司定購此品牌產品如收到貨物時發現有假貨仿貨均以100倍金額賠償.