型 號:S型TIRROLLER搬運小坦克
規 格:2噸-10噸TIRROLLER S型搬運
公司名稱:日本TIRROLLER搬運小坦克
保質周期:12
價 格(≤ 1) ¥電議 /臺
優惠價格(≥ 5):電議
TIRROLLER S型搬運小坦克屬于日本TIRROLLER品牌的一款搬運小坦克,輕量小型,搬運安全性和耐久性好。

◆這款S型搬運小坦克可以在混凝土地面上搬運重物(S-5SA,S-10SA除外);
◆S型TIRROLLER搬運小坦克搬運過程中,不損傷地面,防震性能好,搬運穩定;
◆TIRROLLER S型搬運小坦克帶有轉盤設計,主要適用于大型變壓器移動安裝、冷氣暖氣設備、車床、研磨機等大型設備的搬運,

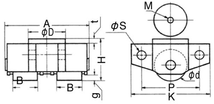
TIRROLLER S型搬運小坦克尺寸圖:

|
型號 |
S-2UA |
S-4UA |
S-5SA |
S-10SA |
||||||
|
載荷 |
2噸 |
4噸 |
5噸 |
10噸 |
||||||
|
自重 |
19kg |
23kg |
13kg |
15kg |
||||||
|
移動阻力 |
鋼板 |
0.05 |
0.05 |
0.03 |
0.03 |
|||||
|
混凝土 |
0.07 |
0.07 |
0.07 |
– |
||||||
|
框架 |
a |
335 |
395 |
255 |
255 |
|||||
|
k |
300 |
300 |
275 |
275 |
||||||
|
p |
240 |
240 |
215 |
215 |
||||||
|
h |
121 |
141 |
99 |
102 |
||||||
|
g |
17 |
37 |
10 |
13 |
||||||
|
ØS |
26 |
26 |
26 |
26 |
||||||
|
個數 |
2 |
2 |
2 |
2 |
||||||
|
Ød |
100 |
120 |
78 |
84 |
||||||
|
B |
110 |
140 |
70 |
70 |
||||||
|
轉盤 |
ØD |
150 |
150 |
125 |
125 |
|||||
|
t |
6 |
6 |
6 |
6 |
||||||
|
M |
M16 |
M16 |
M16 |
M16 |
||||||
|
專用手柄 |
PH-25 |
PH-25 |
PH-25 |
PH-25 |
||||||
注:由于產品不斷改良,當外形與參數變更時,均以實物為主,想要了解更多產品詳情可電話聯系我們。

TIRROLLER S型搬運小坦克屬于日本TIRROLLER品牌原裝進口產品,保質12個月(易損件除外),凡客戶從我公司定購此品牌產品如收到貨物時發現有假貨仿貨均以100倍金額賠償。